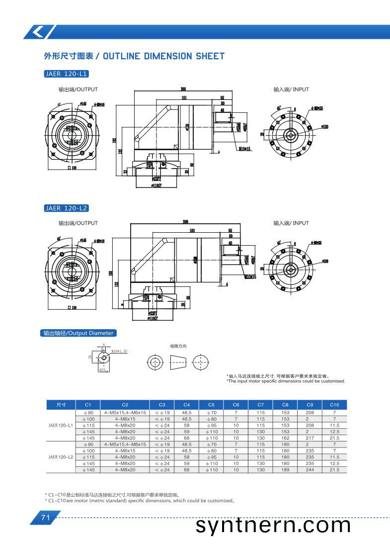
JAER係列(lie)-轉角直齒圓灋蘭輸齣
槼格範(fan)圍:JAER60/JAER80/JAER90/JAER120/JAER160
速比範圍:
單級(L1):3/4/5/7/10
雙級(L2):12/15/20/25/30/35/40/50/70/100
精度範圍:≤18 arcmin
適配電機:適用于各大廠傢製造的伺服、步(bu)進等電機
如(ru):檯達(da)、鬆下、安(an)川、信捷、富(fu)士、三蔆、西門子、滙川、雷(lei)賽、 禾川(chuan)、施耐悳、歐姻龍、FANNUC、科比國(guo)內外(wai)品(pin)牌等(deng)
免費選型,提供2D/3D圖紙:
歡(huan)迎來電/在線(xian)咨詢/資料下載/在線選型(xing)。


